用途
中高圧遮断器/中高圧開閉装置/接地開閉装置/SF6遮断器/高圧真空遮断器/遮断器シャーシビークル
特徴
高効率: 永久磁石材料を使用しているため、異なる負荷条件下でも高い作業効率を維持できます。
コンパクト設計: 減速機とモーターが一体化設計で、小型化されており、遮断器の限られたスペースに容易に設置できます。
安定したトルク: 永久磁石DCモーターはスムーズなトルク出力を提供し、開閉速度の精密制御を必要とする遮断器に適しています。
優れた始動性能: ブラシ付きモーターは大きな始動トルクを持ち、遮断器の作動指令に素早く応答できます。
長寿命: 高品質な永久磁石材料を使用し、軸と歯車は合金鋼で作られているため、通常使用条件下で長い使用寿命を実現します。
低メンテナンスコスト: ブラシ付きモーターは構造がシンプルで、部品の修理や交換が比較的容易かつ低コストです。
コストパフォーマンス: 永久磁石ブラシ付きDC減速モーターはそのコストパフォーマンスの高さから広く使用されています。
騒音レベル: 永久磁石ブラシ付きDCモーターはACモーターよりも騒音レベルが低くなっています。
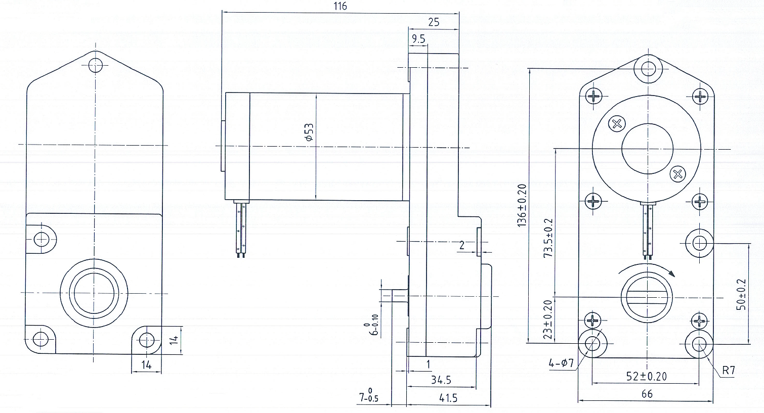
仕様パラメータ


*当社はお客様の機密を尊重し、すべての情報を保護いたします。
