
用途
中高圧遮断器/中高圧開閉装置/接地開閉装置/SF6遮断器/高圧真空遮断器/遮断器シャーシビークル
特徴
高効率:永久磁石材料を使用しているため、異なる負荷条件下でも高い作業効率を維持できます。
コンパクト設計:減速機とモーターが一体化設計されており、小型で遮断器の限られたスペースにも容易に設置可能です。
安定したトルク:永久磁石DCモーターは滑らかなトルク出力を提供し、開閉速度の精密制御を必要とする遮断器に適しています。
優れた始動性能:ブラシ付きモーターは始動トルクが大きく、遮断器の作動指令に迅速に対応できます。
長寿命:高品質な永久磁石材料を使用し、軸と歯車は合金鋼製のため、通常使用下で長い耐用年数を実現します。
低メンテナンスコスト:ブラシ付きモーターは構造がシンプルで、部品の修理や交換が比較的容易かつ低コストです。
コストパフォーマンス:永久磁石ブラシ付きDC減速モーターはそのコスト効率の高さから広く採用されています。
騒音レベル:永久磁石ブラシ付きDCモーターはACモーターよりも騒音レベルが低くなっています。
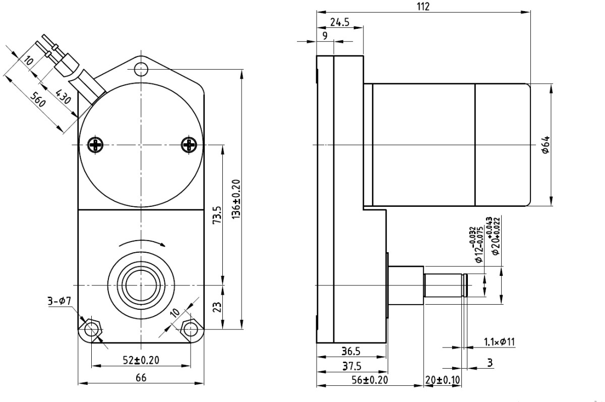
仕様パラメータ


*当社はお客様の機密を尊重し、すべての情報を保護いたします。