生産する

応用
ゲートバリア / ブームバリア / アームバリア / ボラードバリア
特徴
高効率:ブラシレス モーターは、電子整流方式により、ブラシ付きモーターよりも動作効率が高くなります。
長寿命:ブラシレス モーターは、ブラシと整流子の摩耗の問題がないため、通常、寿命が長くなります。
メンテナンスの必要性が低い: ブラシレス モーターはカーボン ブラシを定期的に交換する必要がないため、メンテナンスとダウンタイムが削減されます。
高性能制御:ブラシレス モーターは、速度、位置、加速度などを正確に制御するために、電子コントローラーと組み合わせて使用されることがよくあります。
低騒音・低振動:ブラシレス モーターは電子整流がスムーズで、接触する物理的なブラシがないため、一般的に動作音が静かで振動も少なくなります。
プログラム可能:高度な制御システムに加えて、ブラシレス減速モーターの速度、トルク、加速度などのパラメータをソフトウェアで調整および最適化できます。
コンパクトなサイズと重量:ブラシレス ギア モーターの設計により、同等のパワーのブラシ モーターよりも一般的に小型で軽量になっています。
広い温度動作範囲:広い周囲温度範囲で安定した動作が可能で、屋外での使用に適しています。
強力な始動トルクと優れた速度安定性:より大きな始動トルクを提供し、低速でも速度安定性を維持します。
省エネ:ブラシレスギアモーターは効率が高いため、動作中にエネルギーを節約します。
高速応答:電子制御により、ブラシレス モーターが指示に迅速に応答するという要件を実現できます。
自己保護機能:多くのブラシレス モーターには、モーターの損傷を防ぐための過負荷、過熱などの保護機能が備わっています。
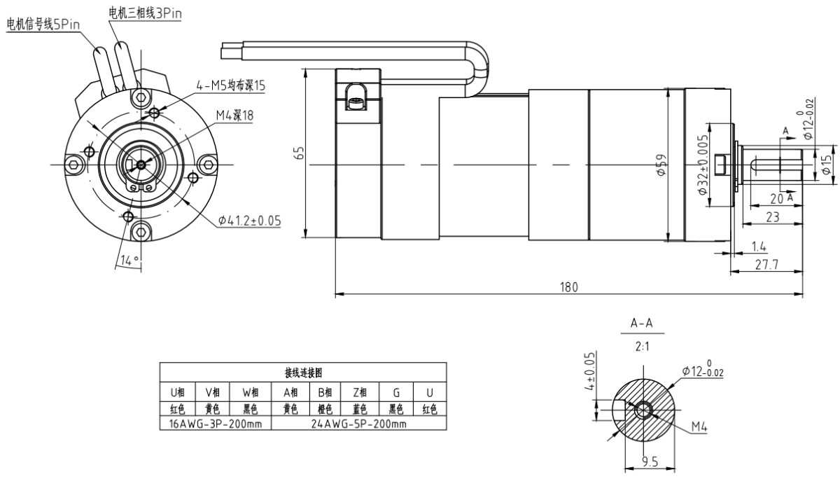
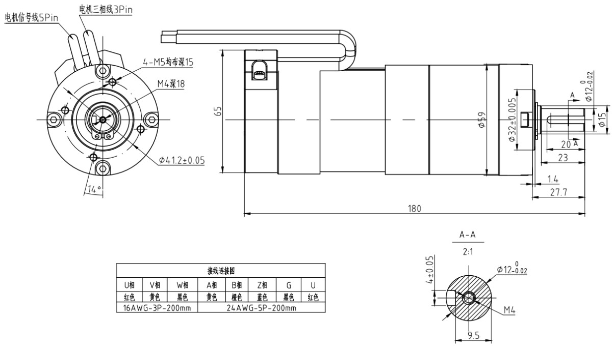
仕様パラメータ


*当社はお客様の機密を尊重し、すべての情報を保護いたします。