用途
高圧隔離スイッチギア
特徴
高起動トルク:隔離スイッチは動作中に環境要因(汚れ、氷雪など)による摩擦増加が発生する可能性があるため、モーターはこれらの静摩擦力を克服する十分な起動トルクを備える必要があります。
信頼性:高圧電気設備では、いかなる故障も重大な結果を招く可能性があります。そのため、これらのモーターは通常、極端な温度、湿度、粉塵、腐食環境を含む過酷な環境下でも動作可能な高い信頼性を備えて設計されています。
高絶縁レベル:高圧隔離スイッチは高圧環境で動作するため、モーターの絶縁レベルは電圧フラッシュオーバーや破壊を防ぐために十分に高くなければなりません。
長寿命設計:これらのモーターは、数千回の動作サイクルに耐えるように設計されており、隔離スイッチの長期間にわたる安定動作を保証します。
コンパクト構造:隔離スイッチのスペース制限を考慮し、モーターは通常コンパクトに設計されており、設置とメンテナンスが容易です。
熱保護:内蔵過熱保護機能により、過負荷時のモーター損傷を防止できます。
簡単な配線:配線が容易で、メンテナンスや交換が迅速に行え、停電時間の短縮に貢献します。
デュアルコンデンサ設計:単相コンデンサモーターは起動用コンデンサと運転用コンデンサを使用する場合があり、起動用コンデンサは起動トルクを増加させ、運転用コンデンサは運転効率と出力の平滑化を向上させます。
高効率:同じ電力条件において、コンデンサモーターはより高いエネルギー効率比を提供するように設計されています。
安定した運転:コンデンサの位相補正効果により、モーターは運転中に比較的安定した速度を維持できます。
制御が容易:コンデンサ容量を変更することでモーターの動作状態を調整し、異なる速度やトルク出力を実現できます。
メンテナンスが簡単:三相モーターと比較して、単相コンデンサモーターは構造が単純でメンテナンスが容易です。
比較的経済的な価格:複雑な三相モーターシステムと比較して、単相コンデンサモーターは制御が単純で普及率が高いため、価格が比較的経済的です。
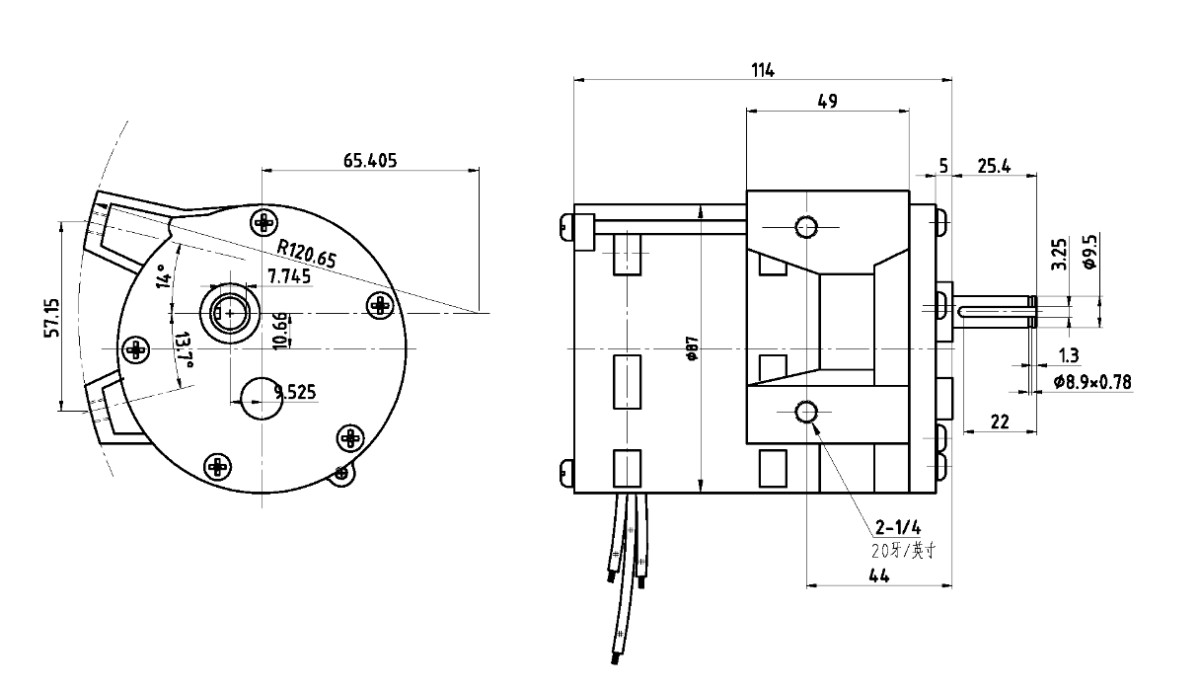
仕様パラメータ


*当社はお客様の機密を尊重し、すべての情報を保護いたします。
