生産する

応用
高電圧絶縁開閉装置
特徴
高い始動トルク:遮断スイッチは動作中に環境上の理由 (汚れ、氷、雪など) により摩擦が増加する可能性があるため、モーターにはこれらの静摩擦力を克服するのに十分な始動トルクが必要です。
信頼性:高電圧電気機器では、故障が重大な結果を招く可能性があります。そのため、これらのモーターは通常、高い信頼性と、極端な温度、湿度、ほこり、腐食環境などの厳しい環境での動作能力を考慮して設計されています。
高い絶縁レベル:高電圧絶縁スイッチは高電圧環境で動作するため、電圧フラッシュオーバーや故障を回避するにはモーターの絶縁レベルが十分に高くなければなりません。
長寿命設計:これらのモーターは、長期間にわたって遮断スイッチの安定した動作を保証するために、何千もの動作サイクルに耐えられるように設計する必要があります。
コンパクトな構造:遮断スイッチのスペース制限を考慮して、モーターは通常、設置とメンテナンスが容易になるようにコンパクトに設計されています。
熱保護:過熱保護機能が内蔵されており、過負荷時にモーターの損傷を防ぎます。
簡単な配線:配線が簡単で、メンテナンスや交換が迅速に行えるため、停電時間の短縮に役立ちます。
デュアルコンデンサ設計:単相コンデンサモーターは始動コンデンサと運転コンデンサを使用します。始動コンデンサは始動トルクを高めるために使用され、運転コンデンサは動作効率と出力の滑らかさを向上させるために使用されます。
高効率:同じ電力条件下では、コンデンサ モーターはより高いエネルギー効率比を提供するように設計されています。
安定した動作:コンデンサの位相補正効果により、モーターは動作中に比較的安定した速度を維持できます。
制御が簡単:静電容量を変更することでモーターの動作状態を調整し、異なる速度やトルク出力を実現できます。
メンテナンスが簡単:三相モーターに比べて、単相コンデンサモーターは構造がシンプルで、メンテナンスが容易です。
比較的経済的な価格:複雑な三相モーター システムと比較すると、単相コンデンサ モーターは制御が簡単で人気が高いため、価格が比較的経済的です。
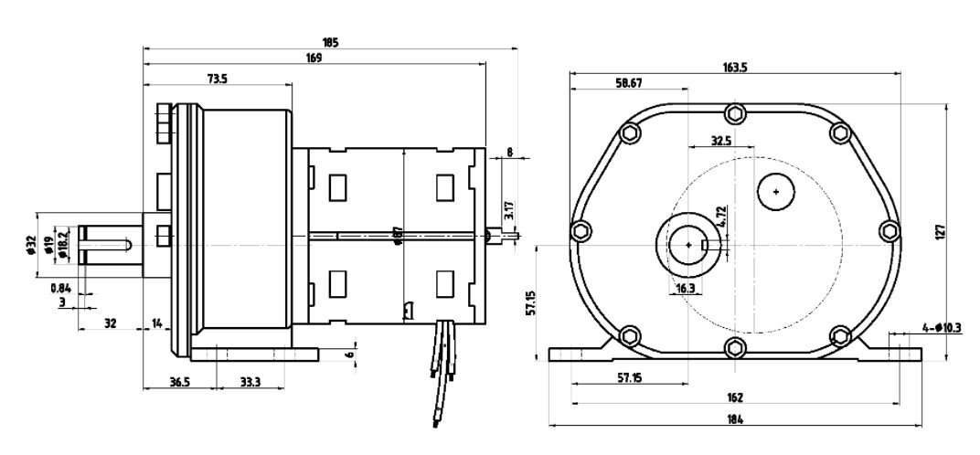
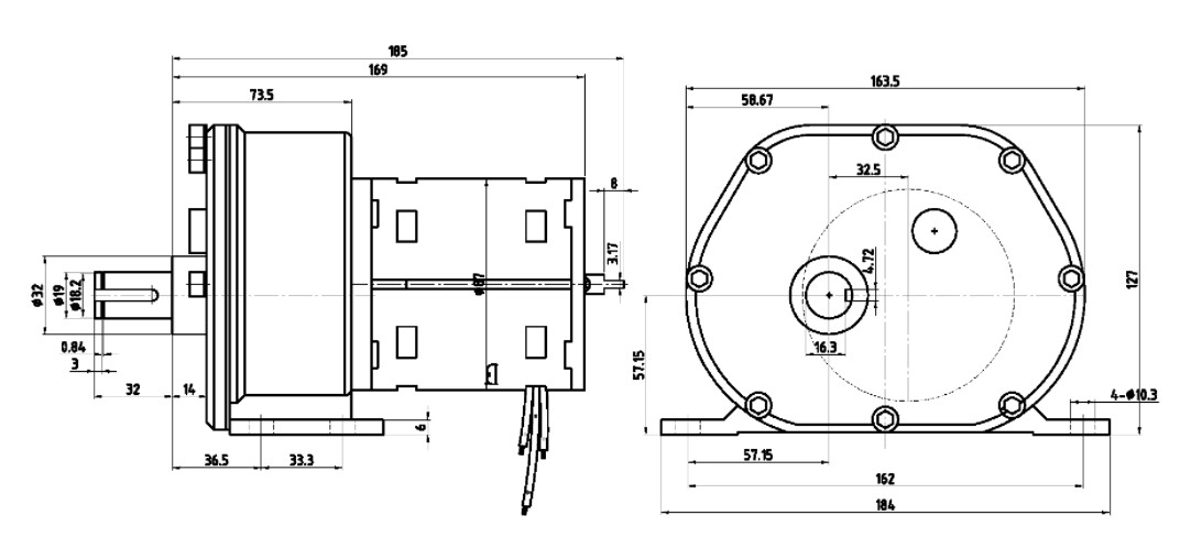
仕様パラメータ


*当社はお客様の機密を尊重し、すべての情報を保護いたします。