生産する

用途
高圧隔離開閉装置
特徴
高い始動トルク:隔離開閉器は短時間で開閉操作を完了する必要があるため、モーターは通常、確実かつ迅速な動作を保証するために高い始動トルクで設計されています。
短時間作動システム:この種のモーターは通常、連続運転を必要としません。短時間作動で、作動サイクルが非常に短いため、その設計は断続作動のニーズを考慮する必要があります。
高い保護等級:モーターが屋外や過酷な環境で動作する可能性を考慮し、通常はIP55、IP65などの高い保護等級を持ち、塵や湿気の侵入を防ぎます。
環境耐性:高温、低温、湿度、乾燥などの異なる気候条件に適応でき、屋外環境における風雨、雪、凍結などの自然環境の影響に耐えることができます。
高い絶縁等級:高圧環境に適応するため、この種のモーターは通常F級、H級などの高い絶縁等級を持ち、長期間の安全で安定した動作を保証します。
信頼性:電力供給システムの安全で安定した動作に関わるため、モーターの信頼性は非常に高く、故障による電力供給中断を回避する必要があります。
シンプルな制御とインターフェース:モーター制御システムは通常非常にシンプルに設計され、現場制御システム(SCADAなど)との統合が容易で、標準インターフェースを備え、将来のメンテナンスや交換を容易にします。
高速応答:高圧隔離開閉器は、モーターが制御信号に迅速に応答し、回路を迅速に遮断または接続する必要があります。
過負荷保護:隔離開閉器の固着やその他の原因による機械的過負荷を防ぐため、モーターは通常過負荷保護機能を備えています。
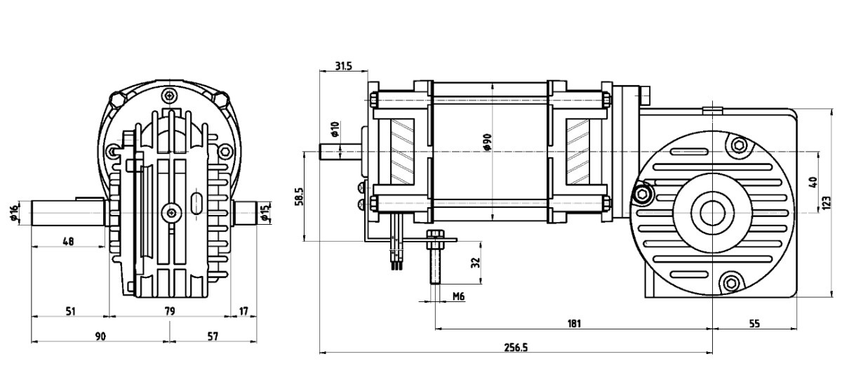
仕様パラメータ


*当社はお客様の機密を尊重し、すべての情報を保護いたします。