
用途
中高圧遮断器/中高圧開閉装置/接地開閉装置/SF6遮断器/高圧真空遮断器/GIS開閉装置
特徴
広い電源範囲: 交流・直流電源システムに対応したモーター設計で、電源条件が不安定な環境でも正常に作動します。
迅速な作動機能: 遮断器や開閉器の迅速な開閉操作要求に素早く対応し、電力システムの安全性と安定性を確保します。
低消費電力設計: 省エネ設計を採用し、作動時のエネルギー消費を低減します。
コンパクト構造: 変電所や配電室などスペースが限られた環境でも容易に設置できるコンパクト設計です。
優れた互換性: 標準インターフェースを備えた設計で、多種多様な遮断器や開閉装置と組み合わせて使用できます。
メンテナンス性の高さ: 構造がシンプルで、点検や部品交換が容易で、メンテナンスの複雑さとコストを低減します。
コスト優位性: 永久磁石を使用しないため、材料コストが一般的に低く抑えられます。長期間使用しても磁力減衰の問題がなく、メンテナンスや交換頻度を低減できるため、ユーザーのコスト削減に貢献します。
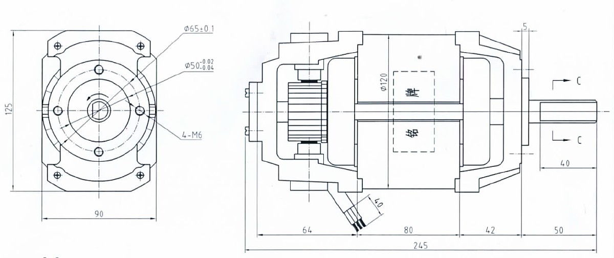
仕様パラメータ

*当社はお客様の機密を尊重し、すべての情報を保護いたします。