
用途
中高圧遮断器/中高圧開閉装置/接地開閉装置/SF6遮断器/高圧真空遮断器/GIS開閉装置
特徴
広い電源範囲:モーター設計は交流と直流の電源システムに対応しており、電源条件が不安定な環境でも正常に動作します。
高速作動機能:遮断器や開閉装置の迅速な開閉操作要求に素早く対応し、電力システムの安全性と安定性を確保します。
低消費電力設計:省エネ設計を採用し、運転時のエネルギー消費を削減します。
コンパクト構造:コンパクトな設計により、変電所や配電室などのスペースが限られた環境での設置が容易です。
優れた互換性:モーターは標準インターフェースで設計されており、多くの種類の遮断器や開閉装置と使用できます。
メンテナンス容易性:構造がシンプルで、点検や部品交換が容易であり、メンテナンスの複雑さとコストを削減します。
コスト優位性:永久磁石を使用しないため、このタイプのモーターは一般的に材料コストが低く抑えられます。長期間使用しても永久磁石の減磁問題がなく、メンテナンスや交換頻度を低減できるため、ユーザーのコスト削減に貢献します。
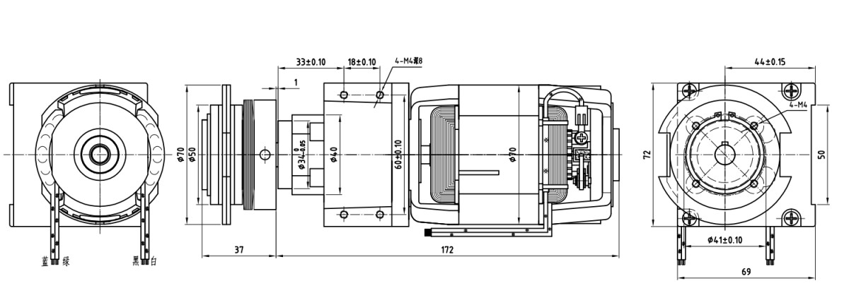
仕様パラメータ


*当社はお客様の機密を尊重し、すべての情報を保護いたします。